-
周黑鸭请大学生免费吃鸭活动落幕,甜辣风味成青春符号与行业范本
图片来源于网络,如有侵权,请联系删除今夏至秋,一场由周黑鸭发起的“请全国大学生免费吃鸭”活动,席卷全国高校,成为Z世代社交圈层中的现象级事件。活动自7月20日启动,至10月15日圆满落幕,累计送出30万份产品,注册会员大学生超过12万,全网曝光量突破1.4亿,成功将甜辣青春打造为今夏最具共鸣的青春标签。 一场“宠粉”行动,一次青春共鸣 活动期间,大学生通过添加周黑鸭福利官、完成学生认证,即可领取免费产品正装一份。开学季期间,周黑鸭再度加码,投入超400万元,经典气调锁...
作者:小微 日期:2025年10月24日 40326 -
恒辉安防:截止2025年10月20日股东总人数17,151人
图片来源于网络,如有侵权,请联系删除证券之星消息,恒辉安防(300952)10月23日在投资者关系平台上答复投资者关心的问题。 投资者:请问,截至2025年十月 20日公司的股东总数是多少?谢谢恒辉安防董秘:尊敬的投资者,您好。截止2025年10月20日,公司股东总人数17,151人。谢谢!投资者:目前机器人业务订单如何,有无批量生产?还有有没有进入T链恒辉安防董秘:尊敬的投资者,您好!公司已成立具身智能机器人核心部件及防护件开发中心,聚焦机器人柔性关节保护件、防护手套、...
作者:小微 日期:2025年10月24日 52281 -
横店影视(603103)2025年三季报简析:营收净利润同比双双增长,盈利能力上升
图片来源于网络,如有侵权,请联系删除据证券之星公开数据整理,近期横店影视(603103)发布2025年三季报。截至本报告期末,公司营业总收入18.95亿元,同比上升17.28%,归母净利润2.06亿元,同比上升1084.8%。按单季度数据看,第三季度营业总收入5.22亿元,同比上升15.9%,第三季度归母净利润383.93万元,同比上升105.4%。本报告期横店影视盈利能力上升,毛利率同比增幅150.51%,净利率同比增幅910.23%。 图片来源于网络,如有侵权,...
作者:小微 日期:2025年10月24日 49165 -
巍华新材(603310)2025年三季报简析:净利润同比下降40.96%,公司应收账款体量较大
图片来源于网络,如有侵权,请联系删除据证券之星公开数据整理,近期巍华新材(603310)发布2025年三季报。截至本报告期末,公司营业总收入6.6亿元,同比下降15.18%,归母净利润1.09亿元,同比下降40.96%。按单季度数据看,第三季度营业总收入2.23亿元,同比上升51.46%,第三季度归母净利润2538.49万元,同比上升250.04%。本报告期巍华新材公司应收账款体量较大,当期应收账款占最新年报归母净利润比达70.78%。 本次财报公布的各项数据...
作者:小微 日期:2025年10月24日 34488 -
万吨级纯电动运输船“葛洲坝”号下水
图片来源于网络,如有侵权,请联系删除 23日,在湖北宜昌举办的2025绿色能源发展大会上,全球最大万吨级纯电动运输船“葛洲坝”号,在秭归顺利下水。作为我国万吨级纯电动散货船研制及示范应用的标杆项目,该船下水标志着我国内河航运正式迈入“零排放、智能化”发展新阶段,为全球内河新能源船舶发展树立“中国标杆”。 据了解,“葛洲坝”号总长129.98米、型宽22米、型深7.7米,设计吃水6.5米,最大载重量达1.374万吨。该船搭载12组锂电池箱式电源,载电量约24000千瓦时,可...
作者:小微 日期:2025年10月24日 47095 -
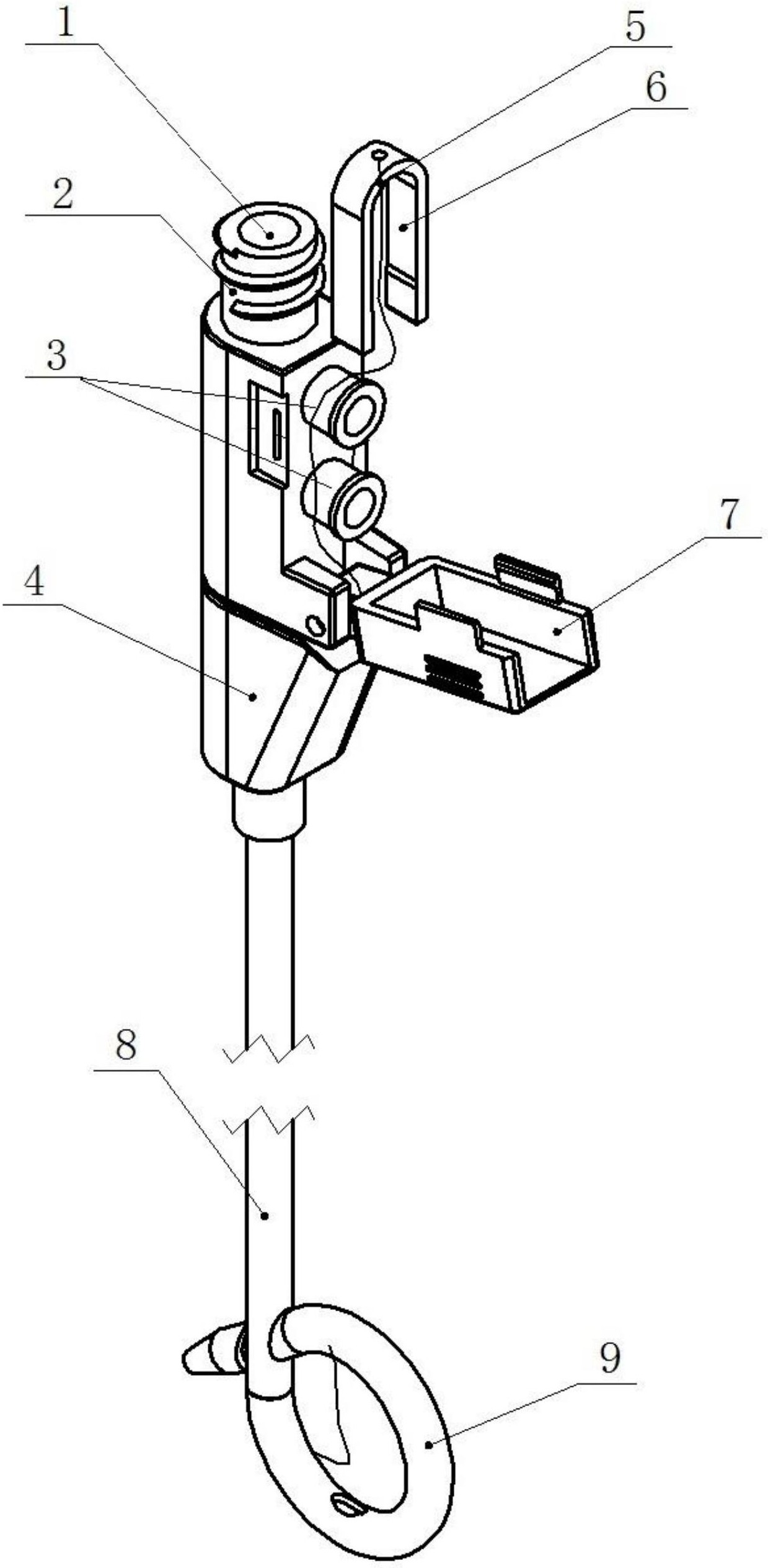
东箭科技获得实用新型专利授权:“一种车辆及踏板”
图片来源于网络,如有侵权,请联系删除证券之星消息,根据天眼查APP数据显示东箭科技(300978)新获得一项实用新型专利授权,专利名为“一种车辆及踏板”,专利申请号为CN202422825636.1,授权日为2025年10月24日。 专利摘要:本申请涉及一种车辆及踏板。该踏板包括面板、连接组件和举升件,连接组件的一侧与车辆的底盘连接,且连接组件与面板连接,举升件装配于连接组件上,并向背离车辆的底盘的一侧延伸,在车辆被举升机器举升时,举升机器抵接在举升件背离车辆的底盘的一端...
作者:小微 日期:2025年10月24日 48190 -
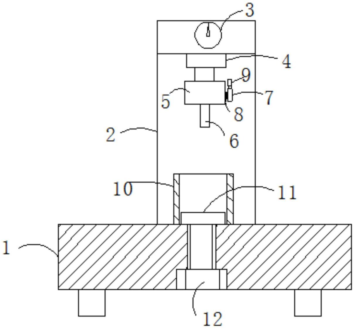
金洲管道获得实用新型专利授权:“一种不锈钢管材液压试验装置”
图片来源于网络,如有侵权,请联系删除证券之星消息,根据天眼查APP数据显示金洲管道(002443)新获得一项实用新型专利授权,专利名为“一种不锈钢管材液压试验装置”,专利申请号为CN202422485641.2,授权日为2025年10月24日。 专利摘要:本实用新型公开了一种不锈钢管材液压试验装置,包括试验平台,用于安装待试验管材;输送机构,用于从多个所述待试验管材的一端向其内部输送液压介质;回流机构,用于对多个所述待试验管材的另一端密封;供液机构,包括储液箱和输送器,所...
作者:小微 日期:2025年10月24日 48729 -
吉林碳谷获得实用新型专利授权:“一种用于化工生产的进风加热系统”
图片来源于网络,如有侵权,请联系删除证券之星消息,根据天眼查APP数据显示吉林碳谷(920077)新获得一项实用新型专利授权,专利名为“一种用于化工生产的进风加热系统”,专利申请号为CN202423047858.1,授权日为2025年10月24日。 专利摘要:本实用新型属于化工生产技术领域,公开了一种用于化工生产的进风加热系统,包括:进风预热器,具有第一空气流道;空气加热装置,具有与所述第一空气流道的出口端连通的第二空气流道,还具有蒸汽流道,所述第二空气流道中的空气可以和...
作者:小微 日期:2025年10月24日 38558 -
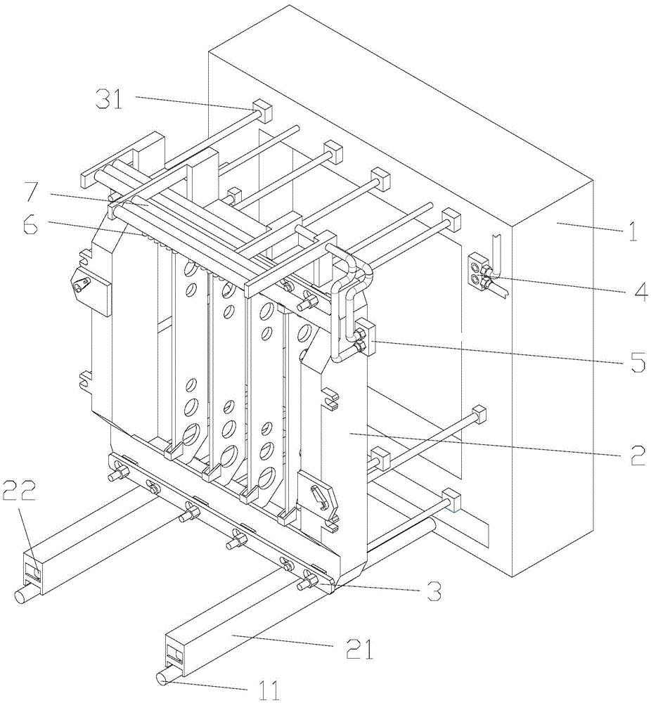
大族数控获得实用新型专利授权:“行走箱装置及行走小车”
图片来源于网络,如有侵权,请联系删除证券之星消息,根据天眼查APP数据显示大族数控(301200)新获得一项实用新型专利授权,专利名为“行走箱装置及行走小车”,专利申请号为CN202422765348.1,授权日为2025年10月24日。 专利摘要:本实用新型提供了一种行走箱装置及行走小车,涉及PCB压机行业技术领域,该种行走箱装置,与传统的行走箱装置相同的是,均包括车轮箱、支撑轴和车轮,车轮和支撑轴均安装在车轮箱内,支撑轴穿过车轮,支撑轴穿过车轮,车轮转动时,支撑轴随同...
作者:小微 日期:2025年10月24日 45440 -
石化油服获得实用新型专利授权:“一种提高浅表砂泥岩互层区岩心采取率的单管取芯装置”
图片来源于网络,如有侵权,请联系删除证券之星消息,根据天眼查APP数据显示石化油服(600871)新获得一项实用新型专利授权,专利名为“一种提高浅表砂泥岩互层区岩心采取率的单管取芯装置”,专利申请号为CN202422843964.4,授权日为2025年10月24日。 专利摘要:本实用新型涉及工程钻探技术领域,尤其是指一种提高浅表砂泥岩互层区岩心采取率的单管取芯装置,包括钻杆,所述钻杆的侧边固定连接有外接引流管,所述外接引流管内部与钻杆的内部相连通,所述钻杆的顶部螺纹连接有...
作者:小微 日期:2025年10月24日 49193















